You cannot fill out this field

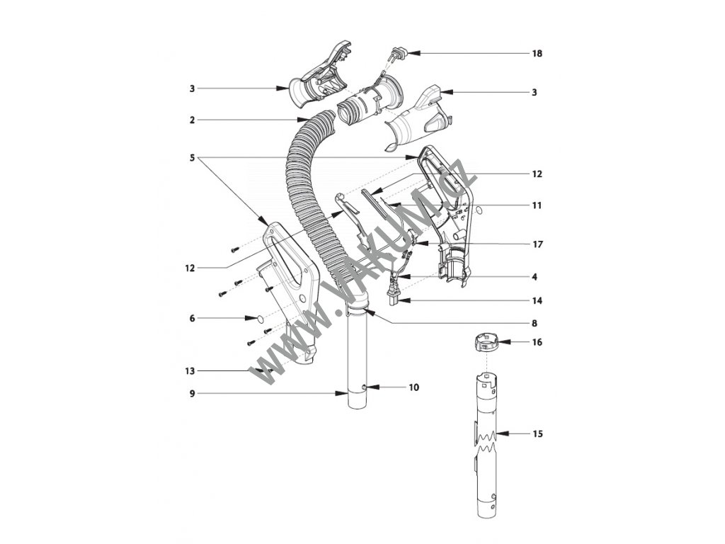
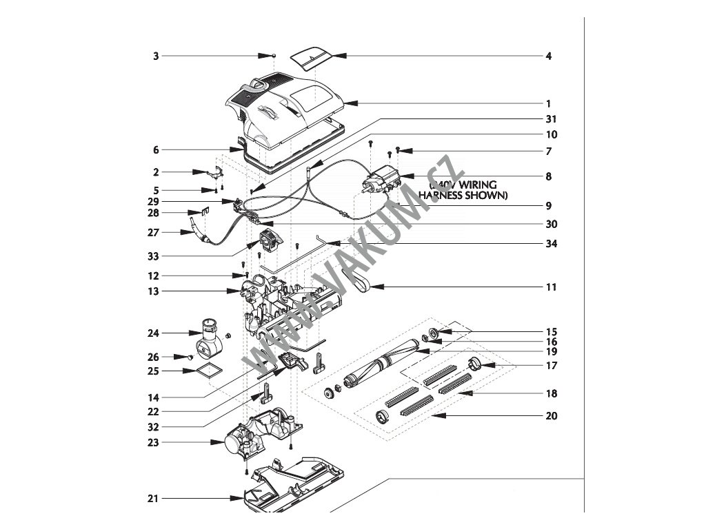
Schema E1 klepač - v tištěné podobě

Zdroj: manuál výrobce

In stock
Code: 425
€0,82
Category: Power nozzle E1

Pokud Vám nestačí náhled, pošleme Vám schéma v tištěné podobě.

Discussion

Be the first who will post an article to this item!

Do not fill out this field:

Security check